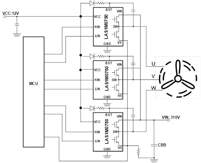
產品介紹
1、創新的半橋智能功率模塊集成1顆高可靠性HVIC,2顆500V/7A快恢復MOSFET(1ohm);
2、專利的LasSOP-10封裝設計:
-Fuse-Lead設計實現高效率和低熱阻,可節省或減小散熱器;
- 高壓引腳寬爬電距離;
-編帶包裝實現加工高效性;
- SOP實現小體積,分布式布局減小PCB體積;
3、>20us 短路電流耐固能力;
4、業內最佳的高可靠和高抗干擾的HVIC設計;
5、集成全面保護特性:
-Shoot-through保護;
-VCC&BST-SW UVLO保護檢測;
-高精度過溫度保護。
